Kategorie
- TECHN. GRZEWCZA
- ARM. GRZEWCZA
- TECHN. SANITARNA
- TECHN. KOMINOWA
- WENTYLACJA
- DOM I OGRÓD
- Pozostałe
- Pozostałe
Wyszukiwarka
INV CD-76-K15-X Zestaw termostatyczny KĄT 1/2"
Dostępność:
Średnia
Cena brutto:
Charakterystyka:
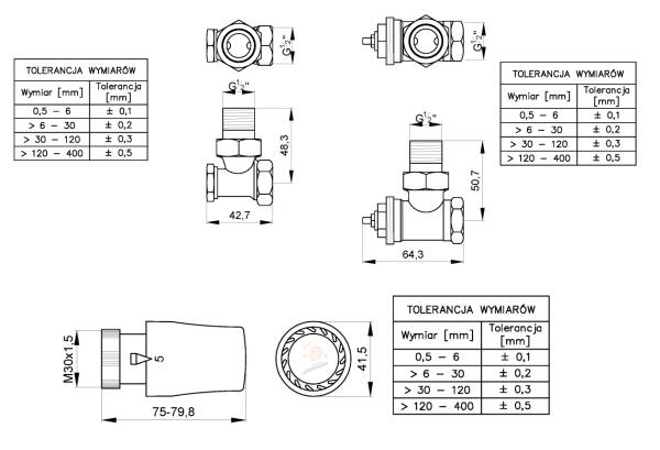
Zestaw zaworów grzejnikowych kątowych TERM-SYSTEM GO z głowicą termostatyczną do połączenia z grzejnikiem w instalacji centralnego ogrzewania. Komplet przeznaczony do każdego typu grzejnika, którego przyłącze posiada gwint 1/2".
Zawór termostatyczny posiada nastawę wstępną.
Zestaw pasuje do grzejników Purmo, Radson, Kermi,
Ferroli, Korado, Biasi, Starmex, Stelrad, Concept, Dia Norm, Dia Therm, Fero-
Therm, Galant, Henrad, Jaga, Protech, Superia, Vasco, Diamond, Invena,
Immergas oraz do grzejników łazienkowych i aluminiowych.
Dane techniczne:
- Temperatura max. 120'C
- Ciśnienie max. 10 bar
- Gwint zaworów GZ/GW 1/2" , przyłaczę do głowicy M30x1,5
- Gwint przyłączeniowy głowicy M30x1,5
| INV_CD-76-K15-X | |
| Towar | |
| 23 (23%) | |
| szt. |
- Typ podłączenia: Kątowe
- Kolor: Biały
Polecane produkty
Miska WC wisząca bezołnierzowa Solider Nill z deską wolnoopadającą płaską
Dostępność: Średnia480,00 zł